Grosse Risse im Wilkins Ice Shelf entdeckt
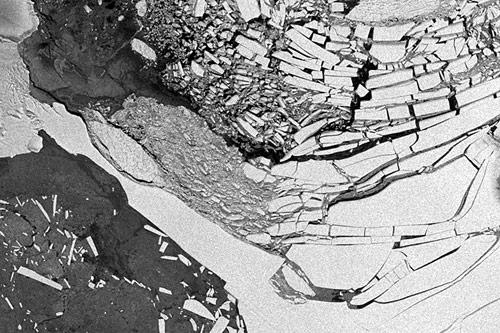
 Noch hält die schmale Brücke aus Schelfeis am Wilkins-Schild, aber ihre Tage könnten gezählt sein. Das fragile Verbindungsstück reicht von der Antarktischen Halbinsel bis zur vorgelagerten Charcot-Insel und verhindert derzeit noch, dass das Eisschelf grossflächig auseinanderbricht. Nun haben Esa-Forscher auf Satellitenfotos neue Risse entdeckt - und sie könnten zur Folge haben, dass sich die noch bestehende Eisbrücke öffnet. Bereits im Sommer hatte sich ein solcher Zerfall auf «Envisat»-Fotos angedeutet.
Noch hält die schmale Brücke aus Schelfeis am Wilkins-Schild, aber ihre Tage könnten gezählt sein. Das fragile Verbindungsstück reicht von der Antarktischen Halbinsel bis zur vorgelagerten Charcot-Insel und verhindert derzeit noch, dass das Eisschelf grossflächig auseinanderbricht. Nun haben Esa-Forscher auf Satellitenfotos neue Risse entdeckt - und sie könnten zur Folge haben, dass sich die noch bestehende Eisbrücke öffnet. Bereits im Sommer hatte sich ein solcher Zerfall auf «Envisat»-Fotos angedeutet. 
Der Wilkins-Schild ist ein riesiges schwimmendes Eismassiv, das Wissenschaftlern bereits seit längerem Sorgen bereitet. Ende Februar begann der Anfang vom Ende des Schelfs: Gewaltige Teile der insgesamt 13.000 Quadratkilometer grossen Eisfläche zerbröselten in zahlreiche kleine Stücke und eine Reihe gewaltiger Eisberge. Satellitenaufnahmen im März dokumentierten den fortschreitenden Verfall. 
Die nun bedrohte Eisbrücke verbindet das Wilkins-Schelfeis mit den zwei Inseln Charcot und Latady. Eine «Envisat»-Aufnahme vom 26. November 2008 zeigt neue Risse, die östlich der Latady-Insel entstanden sind und sich offenbar Richtung Norden ausdehnen. «Die neuen Risse, die bereits bestehende Risse erreicht haben, könnten zum Eisabbruch führen», sagte Angelika Humbert von der Universität Münster. Dies könne die Eisverbindung destabilisieren und kollabieren lassen. 

Im Februar war eine 400 Quadratkilometer grosse Eisfläche vom Wilkins-Schild abgebrochen. Dadurch wurde das Verbindungsstück auf einen sechs Kilometer breiten Streifen reduziert. Ende Mai brachen davon etwa 160 Quadratkilometer Schelfeis ab - die Eisbrücke war danach nur noch 2,7 Kilometer breit. Vom 30. Mai bis zum 9. Juli 2008 verlor das Schelfeis insgesamt eine Fläche von 1350 Quadratkilometern. 
Der Wilkins-Schild war im 20. Jahrhundert stabil, erst in den neunziger Jahren begann er zu schrumpfen. In der Antarktis-Region haben Wissenschaftler in den vergangenen 50 Jahren einen Temperaturanstieg von 2,5 Grad Celsius gemessen. Deshalb gilt der Klimawandel auch als Ursache des Zerbrechens der gigantischen Eismasse, die auf dem Meer schwimmt. 
 Wenn Eis vom Schelf abbricht - man spricht auch von einem kalbenden Gletscher - erhöht sich der Meeresspiegel nicht, denn das Eis schwimmt ja bereits auf dem Wasser. Das Schelfeis ist jedoch mit einem Gletscher an Land verbunden und das Gletschereis rutscht permanent Richtung Meer. Mit einer Faustformel, die US-Geoforscher entwickelt haben, lässt sich berechnen, welche Menge Eis pro Jahr von einem Gletscher abbricht.
Wenn Eis vom Schelf abbricht - man spricht auch von einem kalbenden Gletscher - erhöht sich der Meeresspiegel nicht, denn das Eis schwimmt ja bereits auf dem Wasser. Das Schelfeis ist jedoch mit einem Gletscher an Land verbunden und das Gletschereis rutscht permanent Richtung Meer. Mit einer Faustformel, die US-Geoforscher entwickelt haben, lässt sich berechnen, welche Menge Eis pro Jahr von einem Gletscher abbricht. 
Veränderungen am Schelfeis gelten als wichtiger Indikator des Klimawandels. In den vergangenen Jahren waren zwei grosse Teile des in der Nähe gelegenen Larsen-Eisschelfs zerfallen. Es begann mit dem 75 Kilometer langen und 37 Kilometer breiten Schelf Larsen A 1995. Im März 2002 beobachtete ein Nasa-Satellit die Auflösung von Larsen B, einer Menge von 720 Milliarden Tonnen Eis.
Quelle: Spiegel Online